Thermografie: infrarood meten
Thermografie hoort bij het beheren van elektrische installaties. Temperaturen kunnen immers een indicatie zijn voor een (aankomend) defect. Door een defect in een vroeg stadium met een warmtebeeld- of infrarood camera vast te stellen, kan uitval van de elektrische installatie door Elektromotoren De Vier worden voorkomen.
Infrarood-meting zeer geschikt voor elektrische installaties
Alle objecten stralen infrarood energie c.q. straling uit. Elk voorwerp heeft een temperatuur en naarmate die temperatuur stijgt of daalt, neemt de intensiteit van deze energie toe of af.
Thermografie is het contactloos meten en registreren van deze straling met een infrarood of warmtebeeld-camera en zeer geschikt voor de werking van elektrische installaties.
Op een infrarood beeld zijn verschillende kleuren te onderscheiden, elke kleur geeft een andere temperatuur van het voorwerp aan.
Het golflengtegebied waarin gemeten wordt loopt van ca. 0,65µm tot 15µm. Infrarode straling is onzichtbaar voor het menselijk oog. Het menselijk oog kan straling (licht) zien vanaf een golflengte van 0,4µm tot 0,7µm. Alleen zogenoemd nabij-infrarood is te zien met het menselijk oog, zoals het gloeien van staal).

.jpg)
Voordelen van infrarood meten
Infrarode straling maakt contactloze temperatuurmeting mogelijk, wat betekent dat het te meten oppervlak niet fysiek met een sonde (probe) aangeraakt hoeft te worden. Qua veiligheid biedt dit duidelijk voordelen, omdat de kans op elektrische schokken en brandwonden op die manier zeer klein is.
Ook qua snelheid zijn er voordelen, aangezien een infrarood thermometer binnen enkele seconden meerdere temperatuurmetingen kan uitvoeren. Ook kan de temperatuur van moeilijk bereikbare objecten gemeten worden.
Thermografie-inspectie kent een aantal duidelijke voordelen:
- Inspectie vindt plaats tijdens bedrijf
- De meting gebeurt contactloos en neemt weinig tijd in beslag
- Metingen worden op foto vastgelegd
- Veilig en nauwkeurig
Materiaal van invloed bij infrarood meten
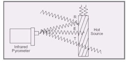
De infrarood-sensor, ook wel pyrometer genoemd, is een optisch instrument en ‘kijkt’ alleen naar een oppervlak, het buitenste gedeelte van het materiaal zien. Het is niet mogelijk om de temperatuur ín het materiaal te meten.
Het oppervlak van het materiaal dat gemeten wordt, zendt niet alleen zijn eigen infrarood-energie uit (emissie), maar reflecteert ook infrarood-energie van de omgeving. Transparante materialen laten infrarood-energie door het materiaal heen stralen (transmissie).
Als deze twee ongewenste infrarood-energieën op de detector terechtkomen, zullen zij de temperatuur negatief beïnvloeden, wat vaak resulteert in een lagere uitlezing van de temperatuur dan de werkelijke temperatuur. De meest betrouwbare metingen kunnen worden gedaan op voorwerpen waarvan de oppervlakte zwart, mat en ruw is.
Emissie en reflectie bij infrarood meten
Voor elk voorwerp geldt dat de optelsom van de emissie (E) en de reflectie (R) 100% is. Voorwerpen die een hoge reflectie hebben, stel 90%, hebben een minimale mate van emissie (10%).
Een voorwerp met 100% emissie, en dus 0% reflectie, wordt een ‘black body’ genoemd.

Diverse factoren zijn van invloed op de nauwkeurigheid van een meetwaarde.
De drie belangrijkste zijn:
- De emissiefactor of emissiviteit
- De verhouding van de afstand tot het te meten oppervlak en de diameter van het te meten oppervlak
- De doorsnede van het te meten oppervlak
Emissiviteit bij infrarood meten, wat betekent dat?
Emissiviteit (E) = stralingsvermogen. Dat is de verhouding tussen de werkelijke temperatuur van een object en de temperatuur zoals deze gemeten wordt door een infrarood detector. Het is een numerieke waarde tussen 0 en 1, die het vermogen van een object aangeeft om infrarode energie uit te stralen.
Emissiviteit kan variëren door:
- Oppervlakteruwheid van het te meten object
- Vorm van het oppervlak (oneffenheden, holtes verhogen emissiviteit)
- Het kijken vanuit een grote hoek
- Mate van oppervlakteoxidatie van metaal
- De temperatuur zelf
- Het soort materiaal
Niet-metalen zijn heel goede stralers (bijvoorbeeld: hout: 0,95, plastic: 0,95, papier: 0,95, beton: 0,95) terwijl metalen slechte stralers zijn(zoals: koper: 0,2, aluminium: 0,2 , ijzer: 0,25, nikkel: 0,5). Het meten van niet-metalen zal dus nooit een probleem vormen.
Enkele emissiviteitswaarden:
- Baksteen: 0,85
- Koolstof: 0,8
- Chroom gepolijst: 0,1
- Koper geoxideerd: 0,65
- Koper gepolijst: 0,1
- Zink: 0,2
- Lood, glanzend: 0,08
- Lood, grijs: 0,28
- Papier, matzwart: 0,94
- Papier wit: 0,9

Voor meer informatie over thermografie en infrarood meten kunt u contact opnemen met de specialisten van Elektromotoren De Vier in Amsterdam.
